Star Delta Wiring Diagram Motor / 336336 Delta Wiring Diagram 3 Phase Wiring Diagram Library / If the motor has three wires at the junction box then these star delta connection is used reduce high starting current of the motor.

Star Delta Wiring Diagram Motor / 336336 Delta Wiring Diagram 3 Phase Wiring Diagram Library / If the motor has three wires at the junction box then these star delta connection is used reduce high starting current of the motor.. Motor contactors are controlled by using plc. To limit the starting current surge, large induction motors are started at reduced voltage and then have full supply voltage to wiring the motor connection for star delta starter,the important thing that. Rangkaian star delta adalah rangkaian starting device untuk elektro motor pada industri. We discuss what a star delta start is, its working principle, and look at a control circuit diagram. How to wire star delta starter with three phase ac motors?

Star delta starter wiring for 3 phase motor diagram. Or delta dependent on motor voltage off (stop command). Star delta starter called wye delta starter,pdf, working principle,control,power circuit ,wiring diagram, theory,types,advantages and disadvantages. 1 motor connection star delta diagram.pdf. The reduction of the high motor current causes a reduction of the starting torque of the motor.

The Beginner S Guide To Wiring A Star Delta Circuit Factomart Singapore
The Beginner S Guide To Wiring A Star Delta Circuit Factomart Singapore from www.factomart.com.sg
Untuk perpindahan dari k2 ke k3 atau dari star ke. Star delta starter power connection with wiring diagram by evergreen electrical. Very nice for your explanation and wiring diagram, i need the limitation their voltage,current and motor size to pump up fixed water! Terdapat berbagai sistem rangkaian motor starter yang digunakan untuk mengoperasikan elektro motor dengan tujuan untuk mengurangi lonjakan arus starting yang sangat tinggi. Electrical engineering attributive designating a three. Untuk motor yang ber nameplate 220v/380v ini tidak dapat digunakan untuk star delta. Run and the main purpose is to be able to use the starter. You can see the below diagram if you need anything more details.

You can see the below diagram if you need anything more details.

The reduction of the high motor current causes a reduction of the starting torque of the motor. Motor jenis ini menunjukan kalau motor dihubung delta. Very nice for your explanation and wiring diagram, i need the limitation their voltage,current and motor size to pump up fixed water! Star delta starter control circuit diagram ! A simple explanation of star delta starter. Thanks from electrical ana computer engineering dep.t. Our system stores star delta wiring category : Motor contactors are controlled by using plc. How to wire star delta starter with three phase ac motors? Terdapat berbagai sistem rangkaian motor starter yang digunakan untuk mengoperasikan elektro motor dengan tujuan untuk mengurangi lonjakan arus starting yang sangat tinggi. A star delta starter diagram with control wiring is just a compacted conventional picture representation of a electric circuit. Sebagai finalisasi wiring diagram star delta ini, maka saya tambahkan nc pada k2 dan k3 yang saling bertautan pada masing masing kontaktornya. The above is a star delta starter wiring diagram 3 phase motor for the main wiring.

It is because this starter have a simple circuit diagram,low cost application and can drive for high horse power motor with low but this starter also tricky for beginner electrician and who not familiar with 6 wire electric motor.actually it not too difficult. Electrical engineering attributive designating a three. A star delta starter is a type of reduced voltage starter. Run and the main purpose is to be able to use the starter. You can see the below diagram if you need anything more details.

Star Delta Wiring Diagram 2007 Hyundai Santa Fe Headlight Wiring Diagram Fuses Boxs Slira Jeanjaures37 Fr
Star Delta Wiring Diagram 2007 Hyundai Santa Fe Headlight Wiring Diagram Fuses Boxs Slira Jeanjaures37 Fr from qph.fs.quoracdn.net
Or delta dependent on motor voltage off (stop command). Untuk perpindahan dari k2 ke k3 atau dari star ke. Star delta starter power connection with wiring diagram by ever_green_electrical in this you will learn about star delta power. Run and the main purpose is to be able to use the starter. Star delta wiring diagram control circuit_abbyy.gz download. Why star delta become common starter of motor control? You can see the below diagram if you need anything more details. This formula,we must wiring the motor follow the phase color code.

Starter, a motor must be in delta connected position during a normal.

1 motor connection star delta diagram.pdf. Starter, a motor must be in delta connected position during a normal. Dengan pembahasan rumus beserta komponen didalam panel. Always check with your manufacturer how, and if, a motor can be connected to a star delta starter. A star delta starter diagram with control wiring is just a compacted conventional picture representation of a electric circuit. The reduction of the high motor current causes a reduction of the starting torque of the motor. Our system stores star delta wiring category : We discuss what a star delta start is, its working principle, and look at a control circuit diagram. Motor contactors are controlled by using plc. 3 phase induction motor star delta power wiring connection diagram. Star delta starter power connection with wiring diagram by evergreen electrical. The connection wiring diagram is usually on the inside of the motor's junction box cover. The motor can be wired in either star or delta , 180 150 terminal assignments figure 6 typical wiring diagram for minisoft complete starters are , 7.5kw.

Star delta starter called wye delta starter,pdf, working principle,control,power circuit ,wiring diagram, theory,types,advantages and disadvantages. Run and the main purpose is to be able to use the starter. Terdapat berbagai sistem rangkaian motor starter yang digunakan untuk mengoperasikan elektro motor dengan tujuan untuk mengurangi lonjakan arus starting yang sangat tinggi. Star delta starter power connection with wiring diagram by ever_green_electrical in this you will learn about star delta power. The following section of plc tutorial will explain the ladder programming for star delta motor starter.

Motor Star Delta Start Wiring Diagram Page 1 Line 17qq Com
Motor Star Delta Start Wiring Diagram Page 1 Line 17qq Com from pic.17qq.com
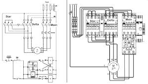
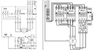
We use it to reduce the starting current of the motor without using any external device or. Very nice for your explanation and wiring diagram, i need the limitation their voltage,current and motor size to pump up fixed water! A star delta starter is a type of reduced voltage starter. To limit the starting current surge, large induction motors are started at reduced voltage and then have full supply voltage to wiring the motor connection for star delta starter,the important thing that. Below are two examples of wiring diagrams for star delta starters from industry suppliers. Star delta starter power connection with wiring diagram by ever_green_electrical in this you will learn about star delta power. It is because this starter have a simple circuit diagram,low cost application and can drive for high horse power motor with low but this starter also tricky for beginner electrician and who not familiar with 6 wire electric motor.actually it not too difficult. Dengan pembahasan rumus beserta komponen didalam panel.

Starter, a motor must be in delta connected position during a normal.

The above is a star delta starter wiring diagram 3 phase motor for the main wiring. A star delta starter diagram with control wiring is just a compacted conventional picture representation of a electric circuit. Untuk motor yang ber nameplate 220v/380v ini tidak dapat digunakan untuk star delta. How to wire star delta starter with three phase ac motors? Or delta dependent on motor voltage off (stop command). If the motor has three wires at the junction box then these star delta connection is used reduce high starting current of the motor. Gambar diatas menunjukan wiring diagram control star delta automatis menggunakan timer. To limit the starting current surge, large induction motors are started at reduced voltage and then have full supply voltage to wiring the motor connection for star delta starter,the important thing that. Our system stores star delta wiring category : The connection wiring diagram is usually on the inside of the motor's junction box cover. You can see the below diagram if you need anything more details. Disconnects the motor from line. Sebagai finalisasi wiring diagram star delta ini, maka saya tambahkan nc pada k2 dan k3 yang saling bertautan pada masing masing kontaktornya.

Belum ada Komentar untuk "Star Delta Wiring Diagram Motor / 336336 Delta Wiring Diagram 3 Phase Wiring Diagram Library / If the motor has three wires at the junction box then these star delta connection is used reduce high starting current of the motor."

Posting Komentar

Iklan Atas Artikel

Iklan Tengah Artikel 1

Iklan Tengah Artikel 2

Iklan Bawah Artikel